WeIPeng®-k etxeko etxetresna elektrikoen fabrikatzaile eta hornitzaileentzako etengailu txikiak izan dira, urte askotan zehar kalitatezko mikro etengabeko soluzioak eskainiz. Lasai egon zaitezke gurekin pertsonalizatutako mikro etengailua erosteko.
Produktuaren aurkezpena
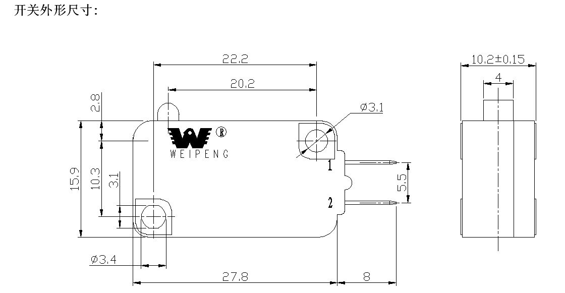
Produktuen parametroa (zehaztapena)
| Aldatu Ezaugarri Teknikoak: | |||
| Gai | Parametro teknikoa | Balio | |
| 1 | Balorazio elektrikoa | 3a 250vac | |
| 2 | Harremanetarako erresistentzia | ≤50mω hasierako balioa | |
| 3 | Isolamenduarekiko erresistentzia | ≥100mω (500VDC) | |
| 4 |
Dielektrikoa Tentsio |
-En artean Konektatutako terminalak |
500V / 0,5ma / 60ko |
| Terminalen artean eta metalezko markoa |
1500V / 0,5ma / 60ko | ||
| 5 | Bizitza Elektrikoa | ≥10000 zikloak | |
| 6 | Bizitza mekanikoa | ≥100000 ziklo | |
| 7 | Funtzionamendu tenperatura | 0 ~ 105 ℃ | |
| 8 | Eragiketa maiztasuna | Elektrikoa: 15 ziklo Mekanikoa: 60 ziklo |
|
| 9 | Bibrazio froga | Bibrazio maiztasuna: 10 ~ 55hz; Anplitudea: 1,5mm; Hiru norabide: 1h |
|
| 10 | Soldadura gaitasuna: Murgildutako zatiaren% 80 baino gehiago soldaduraz estalita egongo da |
Soldadura tenperatura: 235 ± 5 ℃ Denbora murgiltzea: 2 ~ 3S |
|
| 11 | Soldaduraren beroarekiko erresistentzia | Dip Soldadura: 260 ± 5 ℃ 5 ± 1S Eskuzko soldadura: 300 ± 5 ℃ 2 ~ 3S |
|
| 12 | Segurtasun onespenak | Ul, CSA, Vde, Enec, TUV, CE, KC, CQC | |
| 13 | Proba baldintzak | Ambient Tenperatura: 20 ± 5 ℃ Hezetasun erlatiboa: 65 ±% 5 RH Airearen presioa: 86 ~ 106kpa |
|
Produktuen funtzioa eta aplikazioa
Produktuaren xehetasunak


