Auto-berrezarri presio muga Mikro etengailua mugimendu mekanikoaren bidez aktibatutako kontrol osagai automatikoa da. Bere oinarrizko funtzioa objektu baten desplazamendua edo trazua hautematea da, zirkuituak irekitzea eta ixtea, ekipoen hasiera eta geldialdia lortzeko, edo babes-babesa lortzeko. Ezinbestekoa da "segurtasun sentinel" eta 'ekintza komandante' industria automatizazioan eta ekipamendu elektromekanikoetan.
Aldatu Zatituuct
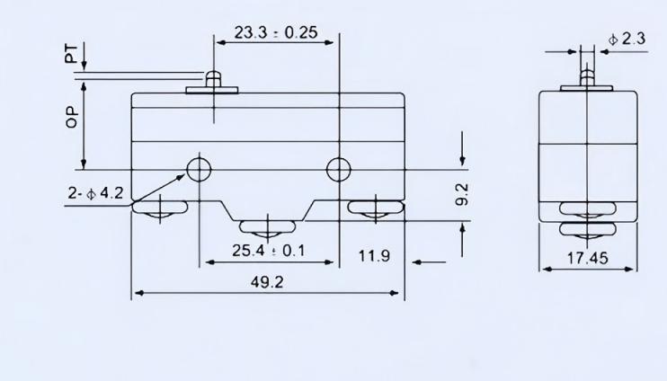
Bidaia-etengailua (muga etengailua ere ezagutzen da) mugimendu mekanikoaren bidez aktibatutako kontrol osagai automatikoa da. Bere oinarrizko funtzioa objektu baten desplazamendua edo trazua hautematea da, zirkuituak irekitzea eta ixtea, ekipoen hasiera eta geldialdia lortzeko, edo babes-babesa lortzeko. Ezinbestekoa da "segurtasun sentinel" eta 'ekintza komandante' industria automatizazioan eta ekipamendu elektromekanikoetan.
Aldatu Eskaerazio
Konbinatzeko mahatsaren ebaketa-plataformak uztartzeko mahatsa. Ebaketa plataformaren "funtzionamendu-altuera" eta "garraioaren altuera" ezartzen duen bidaia-etengailua du. Uzta garaian, ebaketa plataforma baxua jaitsi bada (lurretik gertu, lurra ziurrenik baliatuz), etengailua aktibatzen da ebaketa plataforma igotzeko sistema hidraulikoa kontrolatzeko; Garraioan, ebaketa plataforma posizio gorenera igotzen denean, ebaketa plataformaren altuera blokeatzeko aktibatuta dago, gidatzeko garaian dardarak saihesteko. Hazien hazien koadroan, bidaia-aldaketak hazia maila hautematen du. Haziak agortzeko zorian daudenean, alarma gailua pizten du operadoreari haziak gehitzeko gogorarazteko, galdutako ereina saihesteko.
Aldatu Xehetasun
