Plastikozko Mikro Switch Magnetikoa eremu magnetikoko seinaleen bidez zirkuitu baten piztea eta itzaltzea kontrolatzen duen etengailu gailua da. Bere oinarrizko ezaugarria kontaktu gabeko funtzionamendua da, beraz, erantzun azkarraren, zerbitzu-bizitza luzearen eta fidagarritasun handikoaren abantailak ditu, eta oso erabilia da industria-automatizazioan, segurtasunean, automobilgintzan eta etxe adimendunetan.
Mikro Switch Sarrera
Etengailu magnetikoa eremu magnetikoko seinaleen bidez zirkuitu baten piztea eta itzaltzea kontrolatzen duen etengailu bat da. Bere oinarrizko ezaugarria kontaktu gabeko funtzionamendua da, beraz, erantzun azkarraren, zerbitzu-bizitza luzearen eta fidagarritasun handikoaren abantailak ditu, eta oso erabilia da industria-automatizazioan, segurtasunean, automobilgintzan eta etxe adimendunetan.
Mikro Switch parametroa (zehaztapena)
| Etengailuaren Ezaugarri Teknikoak: | |||
| ITEM | Parametro teknikoa | Balioa | |
| 1 | Balorazio Elektrikoa | 5(2)A/10A/16(3)A/21(8)A 250 VCA | |
| 2 | Kontaktu Erresistentzia | ≤30mΩ Hasierako balioa | |
| 3 | Isolamendu Erresistentzia | ≥100MΩ (500VDC) | |
| 4 |
Dielektrikoa Tentsioa |
Tartean konektatuta ez dauden terminalak |
1000V/0,5mA/60S |
|
Terminalen artean eta metalezko markoa |
3000V/0.5mA/60S | ||
| 5 | Bizitza Elektrikoa | ≥50000 ziklo | |
| 6 | Bizitza Mekanikoa | ≥1000000 ziklo | |
| 7 | Funtzionamendu-tenperatura | -25 ~ 125 ℃ | |
| 8 | Eragiketa-maiztasuna |
elektrikoa : 15 ziklo Mekanikoa: 60 ziklo |
|
| 9 | Bibrazio Froga |
Bibrazio-maiztasuna: 10 ~ 55HZ; Anplitudea: 1,5 mm; Hiru norabide: 1H |
|
| 10 |
Soldatzeko gaitasuna: Murgildutako zatiaren %80 baino gehiago soldaduraz estalita egongo da |
Soldatzeko tenperatura: 235 ± 5 ℃ Murgiltze denbora: 2 ~ 3S |
|
| 11 | Soldadura Bero Erresistentzia |
Dip soldadura: 260 ± 5 ℃ 5 ± 1S Eskuzko soldadura: 300±5 ℃ 2 ~ 3S |
|
| 12 | Segurtasun-onarpenak | UL, CSA, VDE, ENEC, TUV, CE, KC, CQC | |
| 13 | Proba-baldintzak |
Giro-tenperatura: 20 ± 5 ℃ Hezetasun erlatiboa: 65 ± 5% RH Airearen presioa: 86 ~ 106KPa |
|
Mikro Switch Ezaugarri eta Aplikazioa
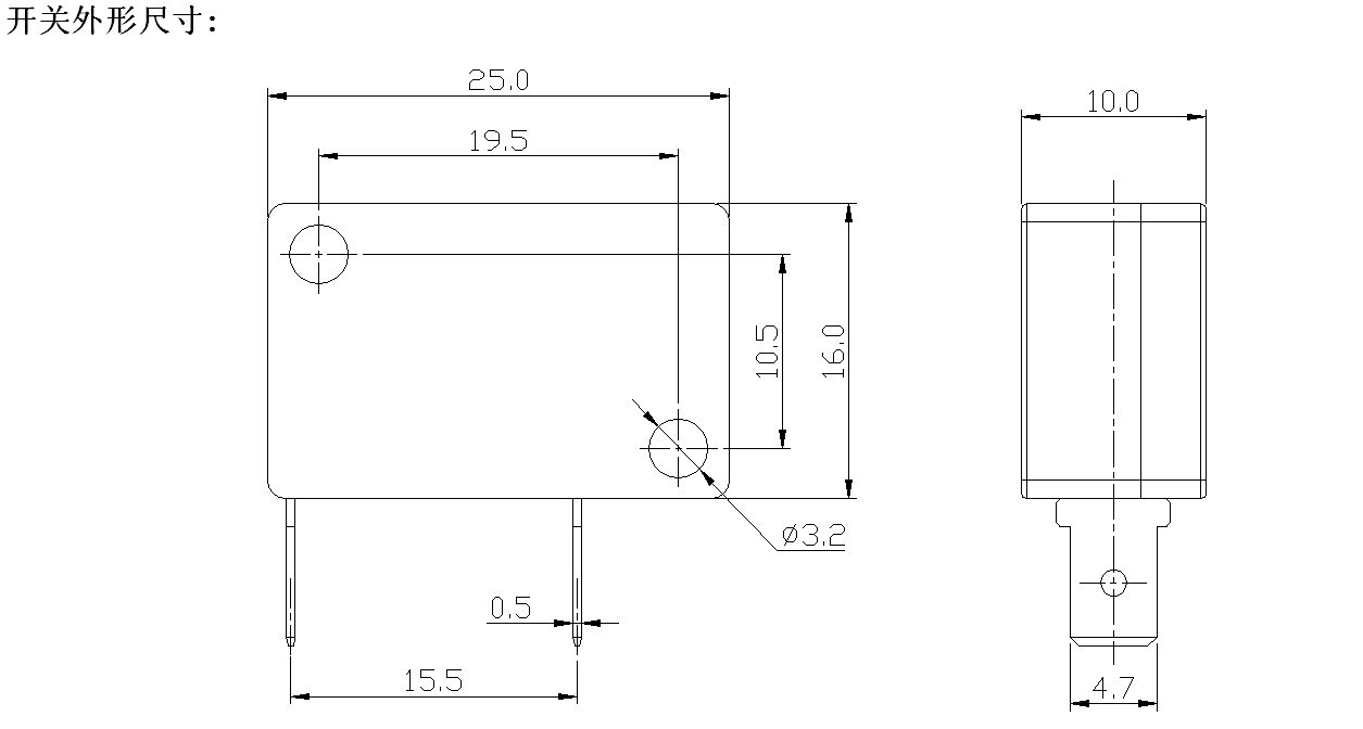
Mikro Switch xehetasunak
