Yueqing Tongda Wire Electric Factory-ren mikro etengailu seriearen erreferentziazko eredu gisa, Normally Open Electronic Component Lever Micro Switch-ek "sentsibilitate handia, bizi-iraupen luzea eta eszenatoki anitzeko moldagarritasuna" ditu bere abantaila nagusi gisa. Konpainiaren 35 urteko etengailuen fabrikazio espezializazioa integratuz, funtsezko kontrol-osagai bihurtu da etxetresna elektrikoetan, automobilgintzan, industria-automatizazioan eta beste alor batzuetan, bere kontaktu hutsune minimoari eta ekintza azkarreko mekanismoari esker. Bere errendimendua eta fidagarritasuna mundu osoko erakunde autoritario anitzek ziurtatu dute, merkatu nitxoan duen posizio nagusia bermatuz.
Mikro Switch Sarrera
HK-14 serieak pertsonalizazio aukera oso malguak eskaintzen ditu aplikazio desberdinen eskakizunak betetzeko. Eragiketa-indarra pertsonaliza daiteke (5,0 N baino gutxiago palankarik gabeko egoeran, 30±15 gf estandarra), 0,6-1,5 mm bitarteko trazadura-tartearekin, abiarazle-indar eta desplazamendu-egoera desberdinetarako egokia. Palankaren estiloak pertsonalizagarriak dira, palanka zuzenak, tolestuak eta arrabolezkoak barne, transmisio mekanikoko hainbat egiturarekin bat egin dezaketenak. Harremanetarako formularioek SPDT (1NO 1NC), NO eta NC sorta osoa estaltzen dute.
Mikro Switch parametroa (zehaztapena)
| Etengailuaren Ezaugarri Teknikoak: | |||
| ITEM | Parametro teknikoa | Balioa | |
| 1 | Balorazio Elektrikoa | 5(2)A/10A/16(3)A/21(8)A 250 VCA | |
| 2 | Kontaktu Erresistentzia | ≤30mΩ Hasierako balioa | |
| 3 | Isolamendu Erresistentzia | ≥100MΩ (500VDC) | |
| 4 |
Dielektrikoa Tentsioa |
Tartean konektatuta ez dauden terminalak |
1000V/0,5mA/60S |
|
Terminalen artean eta metalezko markoa |
3000V/0.5mA/60S | ||
| 5 | Bizitza Elektrikoa | ≥50000 ziklo | |
| 6 | Bizitza Mekanikoa | ≥1000000 ziklo | |
| 7 | Funtzionamendu-tenperatura | -25 ~ 125 ℃ | |
| 8 | Eragiketa-maiztasuna |
elektrikoa : 15 ziklo Mekanikoa: 60 ziklo |
|
| 9 | Bibrazio Froga |
Bibrazio-maiztasuna: 10 ~ 55HZ; Anplitudea: 1,5 mm; Hiru norabide: 1H |
|
| 10 |
Soldatzeko gaitasuna: Murgildutako zatiaren %80 baino gehiago soldaduraz estalita egongo da |
Soldatzeko tenperatura: 235 ± 5 ℃ Murgiltze denbora: 2 ~ 3S |
|
| 11 | Soldadura Bero Erresistentzia |
Dip soldadura: 260 ± 5 ℃ 5 ± 1S Eskuzko soldadura: 300±5 ℃ 2 ~ 3S |
|
| 12 | Segurtasun-onarpenak | UL, CSA, VDE, ENEC, TUV, CE, KC, CQC | |
| 13 | Proba-baldintzak |
Giro-tenperatura: 20 ± 5 ℃ Hezetasun erlatiboa: 65 ± 5% RH Airearen presioa: 86 ~ 106KPa |
|
Mikro Switch Ezaugarri eta Aplikazioa
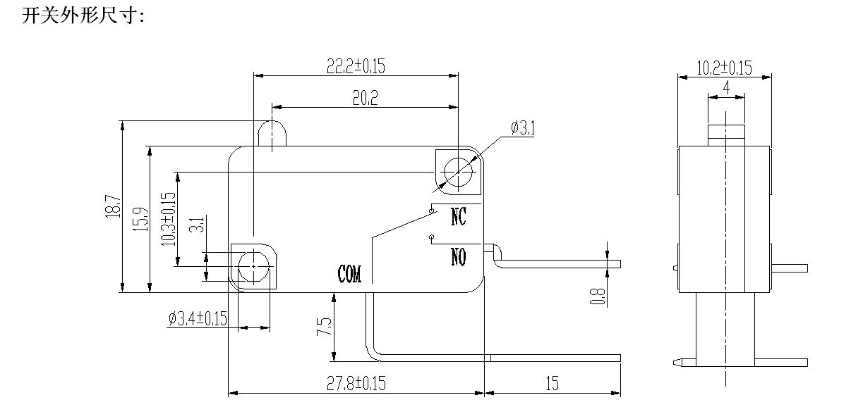
Mikro Switch xehetasunak
