Yueqing Tongda Wire Electric Factory-ren mikro etengailu seriearen erreferentziazko eredu gisa, Mikrouhin Labea eta Garbigailua Mikro Switch-ak "sentsibilitate handia, bizi-iraupen luzea eta eszenatoki anitzeko moldagarritasuna" ditu bere abantaila nagusi gisa. Konpainiaren 35 urteko etengailuen fabrikazio espezializazioa integratuz, funtsezko kontrol-osagai bihurtu da etxetresna elektrikoetan, automobilgintzan, industria-automatizazioan eta beste alor batzuetan, bere kontaktu hutsune minimoari eta ekintza azkarreko mekanismoari esker. Bere errendimendua eta fidagarritasuna mundu osoko erakunde autoritario anitzek ziurtatu dute, merkatu nitxoan duen posizio nagusia bermatuz.
Mikro Switch Sarrera
Produktuak segurtasun-ziurtagiri nagusiak lortu ditu, besteak beste, UL, C-UL, ENEC, VDE, CE, CB, TUV, CQC eta KC, IEC 61058 araua betetzen du eta merkaturako sarbidea izateko baldintzak betetzen ditu Europa, Amerika eta Asia-Pazifikoa bezalako eskualdeetan. Konpainiak ISO9001 eta IATF 16949 kalitatea kudeatzeko sistemaren ziurtagiriak lortu ditu eta RoHS eta REACH ingurumen-zuzentarauak zorrotz ezartzen ditu, ekoizpen prozesu osoan zehar kontrol findua bermatuz. 6 asmakuntza patente nazional eta 48 erabilgarritasun eredu patenteekin, HK-14 serieak fidagarritasun eta koherentzia mailak lortzen ditu industrian.
Instalazio eta Erabilera Jarraibideak
Instalatzean, etengailua gainazal lau batean muntatu behar da eta garbigailu lau batekin edo malguki-garbigailu batekin lotu behar da, gainazal irregularrak eragindako funtzionamendu okerra edo karkasaren kalteak ekiditeko. Aukeratu ingurunearen araberako ereduak: baldintza hezeetarako edo hautsez betetzeko, gomendatzen da bertsio pertsonalizatu zigilatua erabiltzea babesa hobetzeko. Ez aplikatu olio lubrifikatzaile botoiari edo eragingailuari, kontaktuak itsastea, hutsegite funtzionalak edo erretzea ekiditeko. Biltegiratu bitartean, gorde produktua gune lehor eta aireztatu batean, euritik edo elurtik babestuta, eta saihestu osagaien zahartzea eragin dezaketen tenperatura eta hezetasun altuak, produktuak jatorrizko funtzionamendua mantentzen duela ziurtatuz.
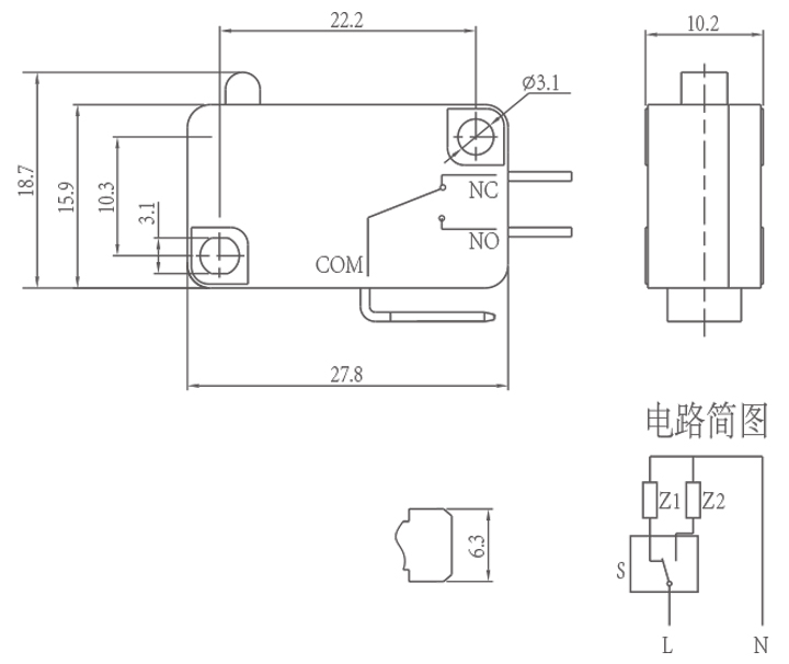
Mikro Switch parametroa (zehaztapena)
| Etengailuaren Ezaugarri Teknikoak: | |||
| ITEM | Parametro teknikoa | Balioa | |
| 1 | Balorazio Elektrikoa | 5(2)A/10A/16(3)A/21(8)A 250 VCA | |
| 2 | Kontaktu Erresistentzia | ≤30mΩ Hasierako balioa | |
| 3 | Isolamendu Erresistentzia | ≥100MΩ (500VDC) | |
| 4 |
Dielektrikoa Tentsioa |
Tartean konektatuta ez dauden terminalak |
1000V/0,5mA/60S |
|
Terminalen artean eta metalezko markoa |
3000V/0.5mA/60S | ||
| 5 | Bizitza Elektrikoa | ≥50000 ziklo | |
| 6 | Bizitza Mekanikoa | ≥1000000 ziklo | |
| 7 | Funtzionamendu-tenperatura | -25 ~ 125 ℃ | |
| 8 | Eragiketa-maiztasuna |
elektrikoa : 15 ziklo Mekanikoa: 60 ziklo |
|
| 9 | Bibrazio Froga |
Bibrazio-maiztasuna: 10 ~ 55HZ; Anplitudea: 1,5 mm; Hiru norabide: 1H |
|
| 10 |
Soldatzeko gaitasuna: Murgildutako zatiaren %80 baino gehiago soldaduraz estalita egongo da |
Soldatzeko tenperatura: 235 ± 5 ℃ Murgiltze denbora: 2 ~ 3S |
|
| 11 | Soldadura Bero Erresistentzia |
Dip soldadura: 260 ± 5 ℃ 5 ± 1S Eskuzko soldadura: 300±5 ℃ 2 ~ 3S |
|
| 12 | Segurtasun-onarpenak | UL, CSA, VDE, ENEC, TUV, CE, KC, CQC | |
| 13 | Proba-baldintzak |
Giro-tenperatura: 20 ± 5 ℃ Hezetasun erlatiboa: 65 ± 5% RH Airearen presioa: 86 ~ 106KPa |
|
Mikro Switch Ezaugarri eta Aplikazioa
Mikro Switch xehetasunak
