Yueqing Tongda Wire Electric Factory-ren produktu adierazgarri gisa, oinarrizko estandarizazioa eta pertsonalizazioa integratzen dituena, Juicer eta Xurgagailurako Mikro Switch for "egonkortasuna, fidagarritasuna eta eszenaren bateragarritasuna" oinarrizko printzipioekin diseinatuta dago. Konpainiaren 35 urteko etengailuen fabrikazio espezializazioa barne hartzen du, errendimendu elektrikoan, babes-mailetan eta erabiltzailearen esperientzian hainbat optimizazio lortuz. Etengailua oso erabilgarria da etxe adimendunaren elektrizitatearen banaketa, industria-ekipamendu osagarriak eta tresna mediko txikiak bezalako agertokietan, unibertsaltasuna pertsonalizazio-potentzialarekin orekatzen duen zirkuitu-kontroleko osagai hobetsia bihurtuz.
Mikro SwitchSarrera
Mikro-etengailuek (atxikitzeko etengailu gisa ere ezagunak) malguki kargatutako mekanismoa erabiltzen dute berehalako aktibazioa ahalbidetzeko; ez da pixkanaka sakatu behar. Kontaktuak azkar ireki edo itxi ditzakete, errendimendu egonkorra bermatuz inolako atzerapenik gabe. Erosleentzat, horrek iraunkortasun handiagoa (kontaktuen higadura murriztea) eta zehaztasuna dakar, eta horrela etengailu trabatuek eragindako segurtasun arriskuak saihestuz.
Mikro SwitchAplikazioa
Mikro etengailuak oso erabiliak eta fidagarriak dira errendimenduan, batez ere hauetan aplikatzen direnak:
- Etxetresna elektrikoak: hozkailuko argiak, mikrouhin labearen ateak, garbigailuaren estalkien etengailuak eta txigorgailuaren tenporizadoreak.
- Ekipamendu industrialak: uhal garraiatzaileetarako, makineriarako eta kontrol-paneletarako egokiak diren pisu handiko modeloak (hautsarekiko eta hezetasunarekiko).
- Automobilgintzaren eremua: haizetako garbigailuak, ateak zabalik dauden adierazleak — bibrazioak eta muturreko tenperaturak jasateko gai direnak.
- Gailu elektronikoak: urrutiko aginteetarako eta joko kontrolagailuetarako miniaturazko etengailuak (erantzuntzaileak eta iraunkorrak).
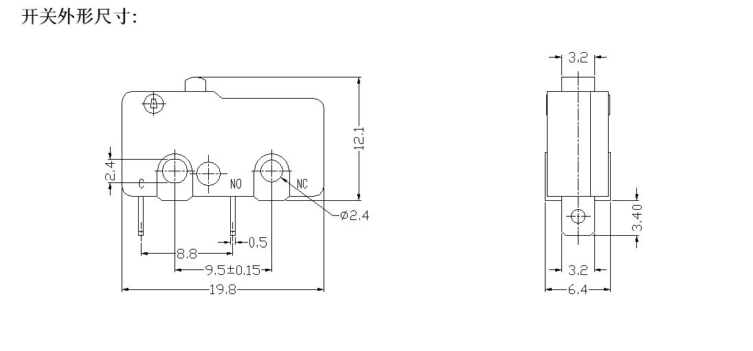
Mikro Switch Zehaztapena
| Etengailuaren Ezaugarri Teknikoak: | |||
| ITEM | Parametro teknikoa | Balioa | |
| 1 | Balorazio Elektrikoa | 5(2)A 125V/250VAC 10(3)125V/250VAC | |
| 2 | Kontaktu Erresistentzia | ≤50mΩ Hasierako balioa | |
| 3 | Isolamendu Erresistentzia | ≥100MΩ (500VDC) | |
| 4 |
Dielektrikoa Tentsioa |
Tartean konektatuta ez dauden terminalak |
500V/0,5mA/60S |
| Terminalen artean eta metalezko markoa |
1500V/0,5mA/60S | ||
| 5 | Bizitza Elektrikoa | ≥10000 ziklo | |
| 6 | Bizitza Mekanikoa | ≥100000 ziklo | |
| 7 | Funtzionamendu-tenperatura | -25 ~ 125 ℃ | |
| 8 | Eragiketa-maiztasuna | Elektrizitatea: 15 ziklo Mekanikoa: 60 ziklo |
|
| 9 | Bibrazio Froga | Bibrazio-maiztasuna: 10 ~ 55HZ; Anplitudea: 1,5 mm; Hiru norabide: 1H |
|
| 10 | Soldatzeko gaitasuna: Murgildutako zatiaren %80 baino gehiago soldaduraz estalita egongo da |
Soldatzeko tenperatura: 235 ± 5 ℃ Murgiltze denbora: 2 ~ 3S |
|
| 11 | Soldadura Bero Erresistentzia | Dip soldadura: 260 ± 5 ℃ 5 ± 1S Eskuzko soldadura: 300 ± 5 ℃ 2 ~ 3S |
|
| 12 | Segurtasun-onarpenak | UL, CSA, VDE, ENEC, CE | |
| 13 | Proba-baldintzak | Giro-tenperatura: 20 ± 5 ℃ Hezetasun erlatiboa: 65 ± 5% RH Airearen presioa: 86 ~ 106KPa |
|
Tongda alanbre elektrikoa Micro USB lineako etengailua Xehetasunak
