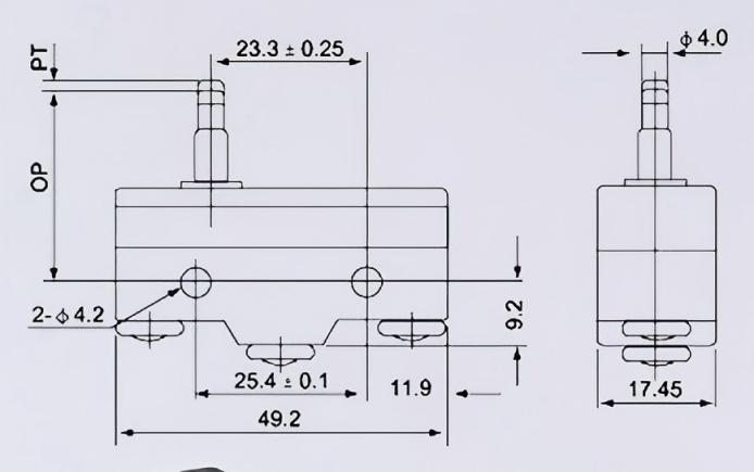
LS kalitate handiko muga Trazu etengailua mugimendu mekanikoaren bidez aktibatutako kontrol osagai automatikoa da. Bere oinarrizko funtzioa objektu baten desplazamendua edo trazua hautematea da, zirkuituak irekitzea eta ixtea, ekipoen hasiera eta geldialdia lortzeko, edo babes-babesa lortzeko. Ezinbestekoa da "segurtasun sentinel" eta 'ekintza komandante' industria automatizazioan eta ekipamendu elektromekanikoetan.
Aldatu Zatituuct
Bidaia-etengailua (muga etengailua ere ezagutzen da) mugimendu mekanikoaren bidez aktibatutako kontrol osagai automatikoa da. Bere oinarrizko funtzioa objektu baten desplazamendua edo trazua hautematea da, zirkuituak irekitzea eta ixtea, ekipoen hasiera eta geldialdia lortzeko, edo babes-babesa lortzeko. Ezinbestekoa da "segurtasun sentinel" eta 'ekintza komandante' industria automatizazioan eta ekipamendu elektromekanikoetan.
Aldatu Eskaerazio
Zinta garraiatzailearen sistema: mugako etengailuak garraiatzailearen hasiera / amaiera puntuetan instalatzen dira. Pieza bat izendatutako posiziora garraiatzen denean, etengailua pizten da garraiatzailea eteteko, beso robotikoarekin koordinatzea ekintzak eskuratzeko eta ordenatzeko ekintzak egiteko.
Muntatzeko lerroa: pieza posizio egokian dagoen ala ez hautemateko erabiltzen dira. Adibidez, etxeko aparatuaren muntaketa-lerroan, kanpoko maskorra torlojua estutzeko geltokira mugitzen denean, etengailuak estutze makinaren hasiera pizten du, prozesuaren pausoen arteko koordinazio zehatza bermatuz.
Aldatu Xehetasun
