Oinarrizko estandarizazioa eta pertsonalizazioa integratzen duen Yueqing Tongda Cable Power Plant-aren produktu adierazgarri gisa, Gas Ur-berogailuaren eta Gas Sutegiaren Mikro Switch etengailua "egonkortasuna, fidagarritasuna eta eszenaren bateragarritasuna" oinarrizko printzipioekin diseinatuta dago. Konpainiaren 35 urteko etengailuen fabrikazio espezializazioa barne hartzen du, errendimendu elektrikoan, babes-mailetan eta erabiltzailearen esperientzian hainbat optimizazio lortuz. Etengailua oso erabilgarria da etxe adimendunaren elektrizitatearen banaketa, industria-ekipamendu osagarriak eta tresna mediko txikiak bezalako agertokietan, unibertsaltasuna pertsonalizazio-potentzialarekin orekatzen duen zirkuitu-kontroleko osagai hobetsia bihurtuz.
Mikro SwitchSarrera
HK-04G-L etengailua funtsezko parametroen eskakizun praktikoetan zentratzen da, hainbat agertokitarako oinarrizko kontrol estandarrak betez. Kontaktuak zilar-eztain aleazioz eginak dira eta doitasun-soldaduraz prozesatzen dira, hasierako kontaktu-erresistentzia ≤8mΩ-arekin. 10A-16A AC korrontea modu fidagarrian garraiatu dezake (250V AC tentsio nominala), etxeko eta industria gailu txiki gehienen potentzia-eskaeretarako egokia, korronte gainkargak eragindako kontaktuaren gainberotze edo higadura arazoak eraginkortasunez saihestuz.
Abiarazlea eta bizi-iraupenaren errendimendua ere fidagarriak dira: abiarazle-egitura bat erabiltzen du, 1,3-1,6 mm-ko sakatu-bidaia eta 1,5-3N-ren barruan kontrolatzen duen indar eragilea. Aktibazio-feedbacka argia eta leuna da, eguneroko erabilerak ez du litekeena "erantzun gabeko sakatzea". Bizitza mekanikoa 80.000 prentsa zikloetara iristen da, eta iraupen elektrikoa 50.000 ziklotik gorakoa. Maiztasun handiko gailuetan, hala nola hozkailuetan, haizagailu txikietan eta inprimagailu komertzialetan, funtzionamendu egonkorra lor dezake 3-5 urtez.
Ingurumen-egokitzapenak ohiko eszenatokien eskakizunak betetzen ditu: -30 °C eta 80 °C arteko tenperatura-tartean funtzionatzen du produktuak, iparraldeko neguetan tenperatura baxuak eta udan beroa xahutzeko baldintzei aurre egiteko gai dena; isolamendu-erresistentzia ≥50MΩ (500VDC) da eta terminalen tentsioaren jasapena 800V AC-ra iristen da, etxeko eta merkataritzako erabilerarako segurtasun elektrikoaren estandarrak betetzen dituena. Gainera, karkasa suaren aurkako ABS materialarekin egina dago (UL94 V-1arekin bat datorrena), zirkuitu-zirkuitu laburrek eragindako segurtasun-arriskuak murriztuz.
Mikro SwitchAplikazioa
Etxeko eta etxeko agertoki adimendunetan, HK-04G-L, bere tamaina trinkoarekin (20 × 15 × 10 mm, gutxi gorabehera, L × W × H), erraz integra daiteke banaketa-kutxa adimendunetan, hormako entxufeetan eta etxetresna elektrikoen kontrol-panel txikietan. Gaur egun etxeko etxe adimendunetako hainbat markak erabiltzen duten osagaia bihurtu da, hala nola argiztapena kontrolatzeko eta etxetresna elektrikoen pizteko funtzioetarako. Marka batek jakinarazi zuenez hornitutako produktuen porrot-tasa etengailu tradizionalak baino %40 txikiagoa da.
Eskala txikiko industria eta merkataritza agertokietan, produktua egokia da garraiatzaile ekipo txikien, kafe-makina komertzialen, bulegoko inprimagailuen eta beste gailu batzuen potentzia kontrolatzeko. Terminalaren konexio-egitura optimizatuz, kableatuaren instalazio azkarra onartzen du, gailuaren muntaketaren eraginkortasuna hobetuz. Aurretik, etxetresna elektrikoen fabrikatzaile baten bertsio pertsonalizatu batek, terminalen arteko tartea egokituz, beren ekipoen barne kableatuaren eskakizun trinkoak betetzen zituen, instalazioaren eraginkortasuna % 25 hobetuz.
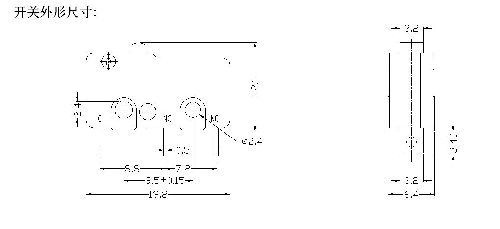
Mikro Switch Zehaztapena
| Etengailuaren Ezaugarri Teknikoak: | |||
| ITEM | Parametro teknikoa | Balioa | |
| 1 | Balorazio Elektrikoa | 5(2)A 125V/250VAC 10(3)125V/250VAC | |
| 2 | Kontaktu Erresistentzia | ≤50mΩ Hasierako balioa | |
| 3 | Isolamendu Erresistentzia | ≥100MΩ (500VDC) | |
| 4 |
Dielektrikoa Tentsioa |
Tartean konektatuta ez dauden terminalak |
500V/0,5mA/60S |
| Terminalen artean eta metalezko markoa |
1500V/0,5mA/60S | ||
| 5 | Bizitza Elektrikoa | ≥10000 ziklo | |
| 6 | Bizitza Mekanikoa | ≥100000 ziklo | |
| 7 | Funtzionamendu-tenperatura | -25 ~ 125 ℃ | |
| 8 | Eragiketa-maiztasuna | Elektrizitatea: 15 ziklo Mekanikoa: 60 ziklo |
|
| 9 | Bibrazio Froga | Bibrazio-maiztasuna: 10 ~ 55HZ; Anplitudea: 1,5 mm; Hiru norabide: 1H |
|
| 10 | Soldatzeko gaitasuna: Murgildutako zatiaren %80 baino gehiago soldaduraz estalita egongo da |
Soldatzeko tenperatura: 235 ± 5 ℃ Murgiltze denbora: 2 ~ 3S |
|
| 11 | Soldadura Bero Erresistentzia | Dip soldadura: 260 ± 5 ℃ 5 ± 1S Eskuzko soldadura: 300 ± 5 ℃ 2 ~ 3S |
|
| 12 | Segurtasun-onarpenak | UL, CSA, VDE, ENEC, CE | |
| 13 | Proba-baldintzak | Giro-tenperatura: 20 ± 5 ℃ Hezetasun erlatiboa: 65 ± 5% RH Airearen presioa: 86 ~ 106KPa |
|
Tongda alanbre elektrikoa Micro USB lineako etengailua Xehetasunak

