Etengailuen fabrikazioan 35 urteko esperientzia duen enpresa profesional gisa, Yueqing Tongda Cable Factory "eskaeraren araberako pertsonalizazioan, segurtasuna bermatzen duen teknologian" zentratzen da eta produktu nagusietan zentratuta, hala nola Rocker Switches, Red Button Pushes, Mikro Switches NO/NC eta Push Button NCs, hainbat alorretarako etengailu soluzio pertsonalizatuak eskaintzen ditu, besteak beste, medikuntza, industria eta itsas etxearen sektorerako, industria eta itsas etxe adimendunetarako. Berrikuntza teknologikoarekin eta kalitate kontrol zorrotzarekin, etengailu pertsonalizatuen arloan erreferente bihurtu da.
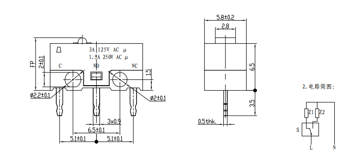
Mikro Switch Sarrera

Mikro Switch parametroa (zehaztapena)
| ITEM | Parametro Tekniko Nagusiak |
| 1 | Balorazio elektrikoa: 3A 250VAC |
| 2 | Bizitza elektrikoa: Min.10000 ziklo |
| 3 | Kontaktu Erresistentzia: <50mΩ |
| 4 | Eragiketa indarra: 70 ± 20 gf |
| 5 | Posizio librea: 7,3 ± 0,2 mm |
| 6 | Eragiketa posizioa: 7,0 ± 0,2 mm |
| 7 | Giro-tenperatura: T85° |
| 8 | Tentsio jasangarria: terminalaren eta terminalaren artean 500V/5S/5mA; |
| Terminalen eta 1500/5S/5mA kaxa artean | |
| 9 | Isolamendu-erresistentzia:> 100MΩ Proba-tentsioa 500VDC |
| 10 | Froga jarraipenaren indizea PTI: 175V |
Mikro Switch xehetasunak
