Lotura bikoitzeko bidaia-muga Mikro etengailua mugimendu mekanikoaren bidez aktibatuta dago. Bere oinarrizko funtzioa objektu baten desplazamendua edo trazua hautematea da, zirkuituak irekitzea eta ixtea, ekipoen hasiera eta geldialdia lortzeko, edo babes-babesa lortzeko. Ezinbestekoa da "segurtasun sentinel" eta 'ekintza komandante' industria automatizazioan eta ekipamendu elektromekanikoetan.
Aldatu Zatituuct
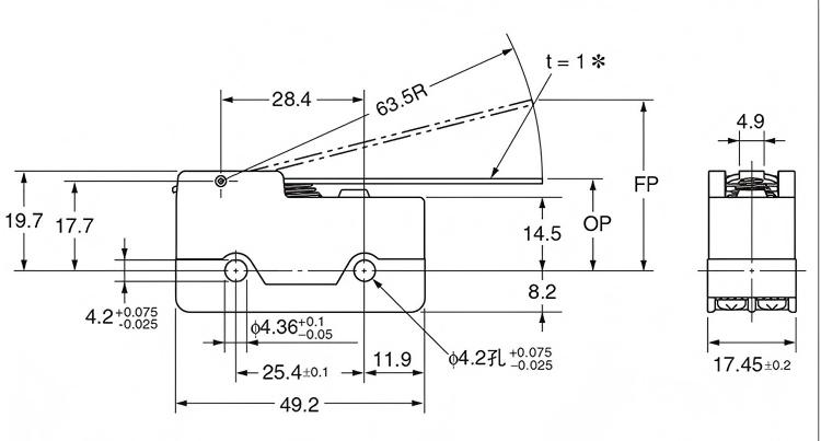
Bidaia-etengailua (muga etengailua ere ezagutzen da) mugimendu mekanikoaren bidez aktibatutako kontrol osagai automatikoa da. Bere oinarrizko funtzioa objektu baten desplazamendua edo trazua hautematea da, zirkuituak irekitzea eta ixtea, ekipoen hasiera eta geldialdia lortzeko, edo babes-babesa lortzeko. Ezinbestekoa da "segurtasun sentinel" eta 'ekintza komandante' industria automatizazioan eta ekipamendu elektromekanikoetan.
Aldatu Eskaerazio
Garabietan, igogailuak eta altxatzeko plataformetan, muga etengailuak segurtasun kritikoko osagaiak dira:
Igogailuaren ardatza:Goiko eta beheko muga etengailuak igogailuaren ardatzaren goialdean eta behealdean instalatzen dira. Igogailuak kontrola eta bidaiak galtzen baditu, etengailuak larrialdietarako balazta pizteko aktibatzen dira, autoa ardatzaren goiko aldean (buruan) edo behealdean (hobia) eraitsi nahian.
Garabi kakoa:Muga etengailua kakoaren bidearen goiko mugan instalatzen da. Kakoa garabiaren zubira hurbiltzen denean, etengailua aktibatuta dago ebakuntza motorrari ahalmena mozteko, eta, horrela, talka saihestu eta ekipamenduari kalteak ekiditen dira.
Aldatu Xehetasun
